| Sign In | Join Free | My polstate.com |
|
Brand Name : Runpaq
Model Number : 60P-T2-15
Certification : CE
Place of Origin : China
MOQ : 50 pieces
Price : USD25/piece (>1000pcs) / USD26.5 (50-1000 pcs)
Payment Terms : L/C, T/T, D/A, D/P, Western Union
Supply Ability : 200000 sets/month
Delivery Time : 15-21 days
Packaging Details : box + maste carton + pallet
Diameter : Full diameter or reduce port: DN8-32
Work Pressure : 10bar / PN10 / 1.0 Mpa / 150 psi
Work current : <80 mA
Voltage : DC5V / DC12-24V / AC85-230V / AC220V
Torque : 6 NM
Open/close time : < 5 seconds
Product name : underfloor heating motorized valve;underfloor heating zone valve
Application : HVAC, Hydronic Heating and cooling, boiler, geotheramal systems with water source heat pumps
2 port zone heating valves for boiler zone valve body material: brass, PN10
Product Description
This mini motorised ball valve is intended to be used in closed circuits only. Our zone control valve is a range of 2-way motorized zone valve, which is with motor actuator for use in heating and cooling system. The brass or stainless ball valve is available in DN15-32, PN10 with thread connection. The actuator is controlled by 2-point signal and is recommended for on/off function, available for 230V AC, 50/60Hz or DC power supply.
Features
Application
Advantages
| No. | Ours | Normal products |
| Valve shaft seal | Quadruple seals | Dual seals |
| Nut seal | Auto super anaerobic glue coating, Consistent torque tightening | Manual anaerobic glue, unevenly, non consistent torque tightening |
| Seal between valve body and housing | Seal groove | none |
| Torque | Smoothly and light | Heavy, non consistently |
| Drainage | Yes | none |

Technical data
| Model | 60P |
| Work Amp (mA) | Max100mA(CR04 except Max150mA) |
| Protection | IP65 |
| Power (W) | <5 |
| Operate Pressure (Mpa) | PN10 |
| Torque (NM) | 6 |
| Dia range | DN8-32 |
| Open/close (S) | < 8s |
| Work volt. (V) | DC3-6V, DC12V, AC/DC9-24V, AC220V, AC85-265V |
| Media temp (℃) | 0-90 |
| Control | CR01, CR02, CR02+, CR03, CR03A, CR03T, CR04 CR05, CR06 |
| Valve body material | Connection port | Diameter | D | L | H | W |
| (mm) | (Kg) | |||||
| Brass | Both female thread full diameter | DN8 | 8 | 46 | 31 | 0.402 |
| DN15 | 15 | 57 | 38 | 0.478 | ||
| DN20 | 20 | 71 | 45 | 0.559 | ||
| DN25 | 23.5 | 72 | 49 | 0.648 | ||
| Both female reduced diameter | DN10 | 8 | 46 | 31 | 0.401 | |
| DN20 | 15 | 66 | 38 | 0.493 | ||
| DN25 | 20 | 72 | 47 | 0.653 | ||
| DN32 | 25 | 86 | 60 | 0.865 | ||
| 3 way vertical | DN15 | 12 | 63 | 49 | 0.48 | |
| DN20 | 15 | 66 | 53 | 0.537 | ||
| CPVC | Both male thread | DN15 | 15 | 60 | 47 | 0.357 |
| DN20 | 20 | 72 | 51 | 0.385 | ||
| Brass | 3-way horizontal | DN8 | 6 | 52.6 | 39 | 24.5 |
| DN15 | 12 | 72 | 55 | 39 | ||
| DN20 | 15 | 86 | 63.5 | 44 | ||
| DN25 | 15 | 97 | 68.5 | 43.5 | ||

Wiring options

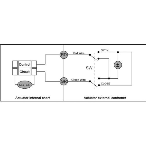
1. Connecting SW to OPEN , the valve opens , getting the position ,automatically power off, the valve remain fully open position
2. Connection SW to CLOSE , the valve close , getting the position ,automatically power off, the valve remains side passes position(fully closed)

1. Connecting SW to OPEN, the valve opens , getting the position ,automatically power off, the valve remain fully open position
2. Connection SW to CLOSED, the valve close , getting the position ,automatically power off, the valve remains side passes position (fully closed)
Note: AC24V/AC220V can only be used for 50K series electric valves

1. Connecting SW to OPEN, the valve opens, getting the position and automatically power off, the valve remains
fully open position
2. Disconnecting SW to CLOSE, the valve closes, getting the position and automatically power off, the valve remains fully close position
Note: As the power-off and valve will be return automatically, and RD/G(B)/Y(B) 3 wires can’t be power-on together to keep valve safe

1. Connecting SW, the valve opens, getting the position, automatically power off, the valve remains fully open position
2. Disconnecting SW, the valve closes, getting the position, automatically power off, the valve remains fully close position
Note: When power is DC voltage and Red Wires is “+”, Blue wire is “—”

1. SW1 open, SW2 open, valve full close, getting the position valve remains fully close position
2. SW1 close, SW2 open, valve open 30 degree, getting the position valve remains open 30 degree position
3. SW2 close, SW1 open, valve open 60 degree, getting the position valve remains open 60 degree position
4. SW1 close, SW2 close, valve full open, getting the position valve remains fully open position

1. Connecting SW, the valve opens, getting the position, automatically power off, the valve remains fully open position
2. Disconnecting SW, the valve close, getting the position, automatically power off, the valve remains fully close position

1. SW connecting, the valve open, getting the position and the power off automatically, the valve remains fully open/close position
2. SW disconnecting, the valve close, getting the position and power off automatically, the valve remains fully open/close position

1. Connecting SW and OPEN, the valve opens, getting the position green wire output the OLS signal, the controller tests the signal OLS, connect SW to STOP, the valve stops and remains fully open position
2. Connecting SW and CLOSE, the valve close, getting the position red wire output the CLS signal, the controller tests the signal CLS, connect SW to STOP, the valve stops and remains fully close position,
Note: Please make sure the signal wires "red", "black" and "green" be connected at first, then connect the power wires " yellow" and "blue"
Factory show

|
|
Boiler 2 Port Motorised Valve PN10 Brass With Thread Connection Images |